煙氣排氣筒及采樣口設計標準
一、煙氣排氣筒高度要求
1.除儲庫底、地坑及物料轉運點單機除塵設施外,其他排氣筒高度應不低于15m。排氣筒高度應高出本體建(構)筑物3m以上。水泥窯及窯尾余熱利用系統排氣筒周圍半徑200m范圍內有建筑物時,排氣筒高度還應高出最高建筑物3m以上。(依據水泥工業(yè)大氣污染物排放標準GB4915-2013)
2.排污單位經排氣筒排放惡臭污染物的排氣筒的最低高度不得低于15m(依據惡臭污染物排放標準GB14554-93)
二、廢氣監(jiān)測采樣孔具體要求
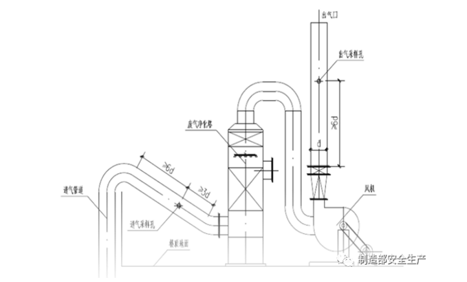
采樣位置應優(yōu)先選擇在垂直管段,應避開煙道彎頭和斷面急劇變化的部位。采樣位置應設置在距彎頭、閥門、變徑管下游方向不小于6倍管徑,和距上述部件上游方向不小于3倍直徑處。采樣斷面的氣流速度最好在5m/s以上。在采樣位置設置采樣孔,采樣孔的內徑應不小于80mm,采樣孔管長應不大于50mm,不使用時應用蓋板、管堵或管帽封閉。當采樣孔僅用于采集氣態(tài)污染物時,其內徑應不小于40mm,采樣孔具體位置如圖所示。

